Print to Fabrication Shop Services
Our Value To You
What We Offer
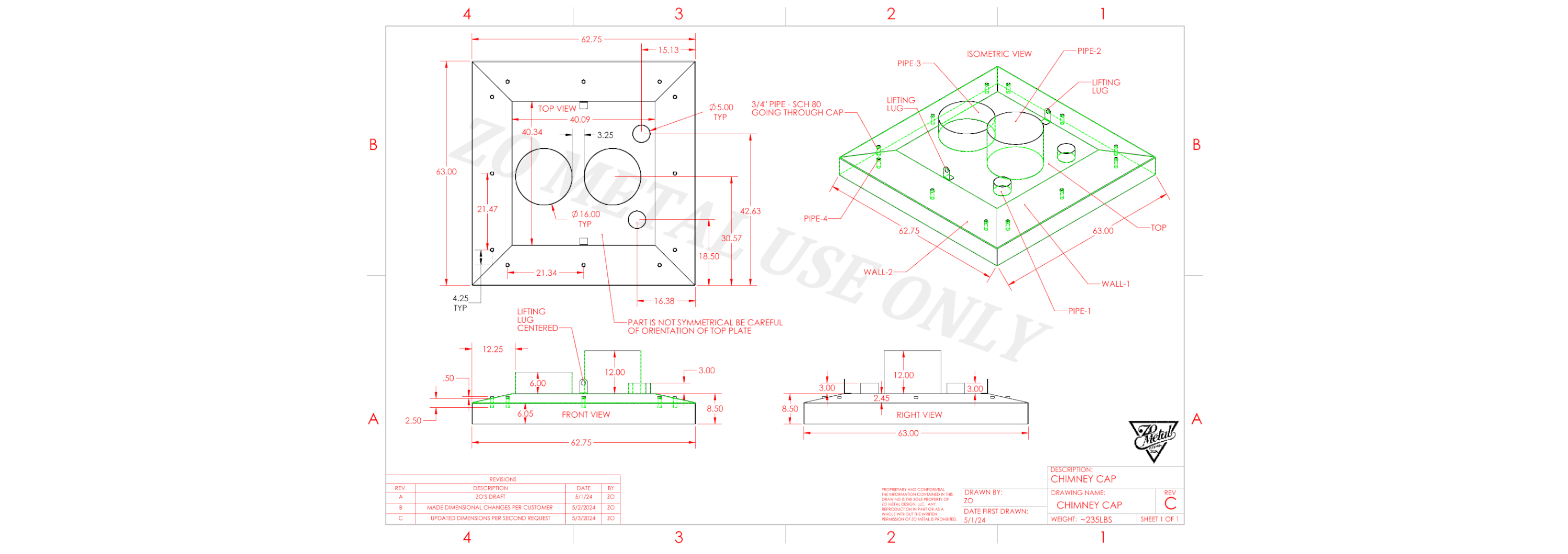
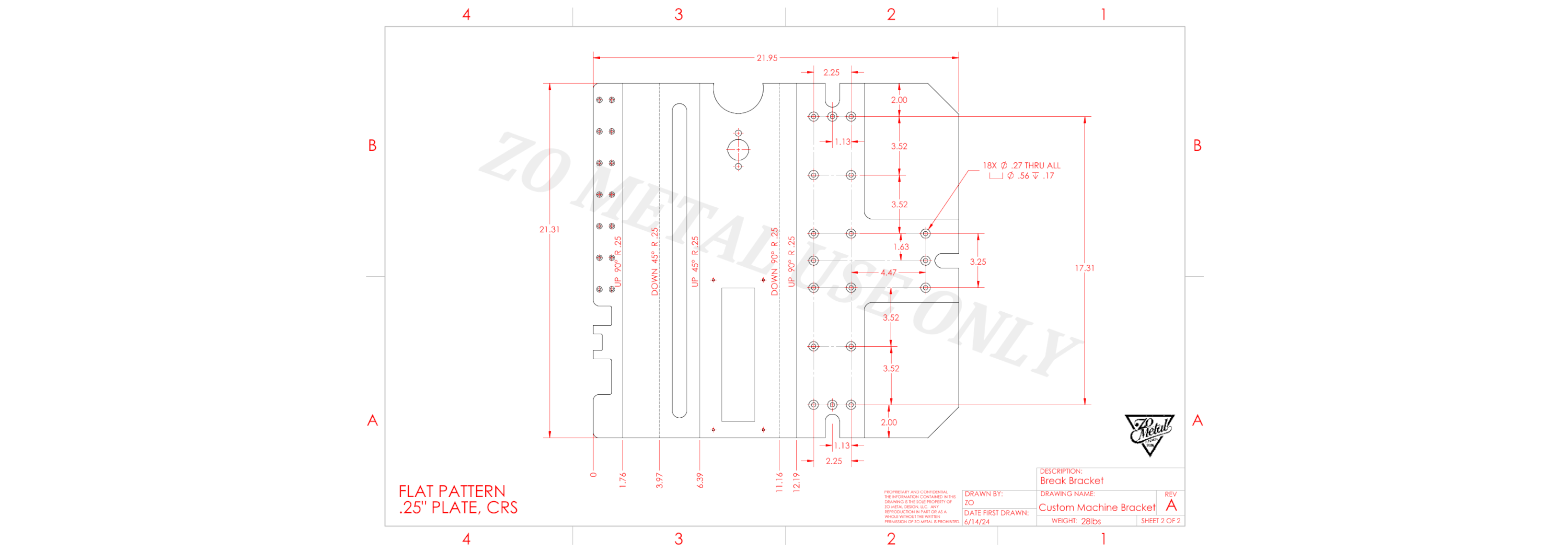
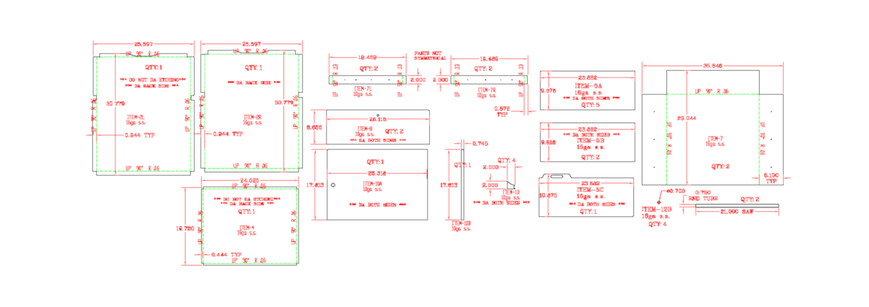
Precise drawings optimized for fabrication, saving time and reducing errors. Including DWGs & 3D Step Files
Ready-to-use files that integrate seamlessly with laser cutting equipment for accurate results.
We work closely with your team to ensure a smooth transition from concept to production.
Avoid the high prices of larger fabrication shops while ensuring the work is done right.
The understanding of how things are produced in the metal manufacturing industry. Providing solutions to make your products more efficient to manufacture, saving you time & money.
Who We Serve
Transforming complex designs into fabrication-ready solutions.
Ensuring projects stay on track with accurate CAD and cutting files.
Helping small to mid-sized shops expand their capabilities without investing in additional resources.















